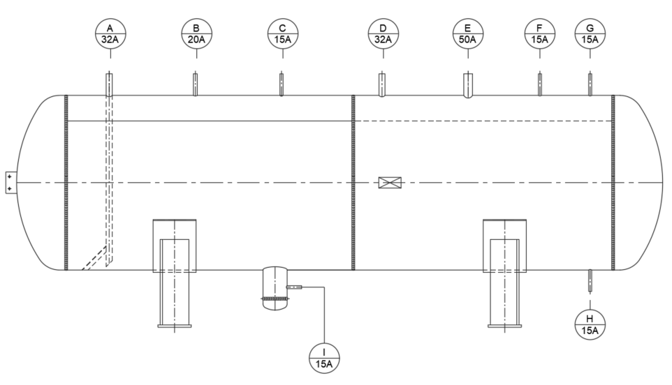
Đặc tính kỹ thuật:
- Bình chứa cao áp của hệ thống lạnh sẽ được ANT tư vấn thiết kế, gia công chế tạo tại Việt Nam khi có đơn đặt hàng. Các mối hàn thân bình áp lực đều được thực hiện bằng máy hàn tự động, bảo đảm mối hàn bám chắc, đồng đều, không bị bọt khí và có tính thẩm mỹ cao. Nắp bình áp lực dạng chỏm cầu. Vật liệu bằng thép A36/SS400 hoặc tương đương. Bình được thiết kế chế tạo theo tiêu chuẩn TCVN8366:2010 hồ sơ lý lịch đầy đủ bao gồm: biên bản kiểm tra siêu âm, hồ sơ tính toán sức bền, bản vẽ chế tạo và biên bản nghiệm thử;
 - Mặt ngoài vỏ bình được sơn chống rỉ và sơn hoàn thiện đảm bảo tối ưu tính năng chống gỉ và thẩm mỹ của bình. Trên thân bình có gắn sẵn các đoạn ống nối để kết nối với hệ thống lạnh.
 
Ứng dụng :
- Chứa lỏng cao trong hệ thống lạnh sử dụng môi chất R717A (Amoniac).
 

					




				



				
				
				
				
							
							
							
Đánh giá
Chưa có đánh giá nào.